Giunto idrodinamico con camera di ritardo allargata
1. Il giunto idrodinamico di tipo HR-CC è equivalente al giunto idrodinamico di base con una camera di ritardo allargata.
2. All'avvio, c'è meno olio di lavoro nel circuito di lavoro, la macchina si avvia in modo più fluido e la variazione di coppia durante l'avviamento è più graduale. Il giunto idrodinamico protegge il sistema di trasmissione dal sovraccarico e riduce le vibrazioni torsionali. Proteggendo il sistema e migliorando la produttività.
3. Il giunto idrodinamico di tipo HR-CC viene utilizzato principalmente nel sistema di azionamento del trasportatore (nastro trasportatore, trasportatore a piastre) e nel sistema di azionamento del frantoio.
- KUDOSWORLD
- 6-8 SETTIMANE LAVORATIVE
- 2.000 SET/ANNO
- informazione
- video
- Scarica
Dettagli tecnici del giunto idrodinamico dotato di camera di ritardo allargata

Tipi di giunto idrodinamico KUDOSWORLD
Tipo HR
· Giunto idrodinamico senza camera di ritardo
Tipo HR-C
· Giunto idrodinamico con camera di ritardo
Tipo HR-CC
· Giunto idrodinamico con camera di ritardo allargata
Tipo HR-D
· Giunto idrodinamico con due unità idrodinamiche
Tipo B
· Giunto idrodinamico con tamburo freno
Ex):HR-B, HR-CB, HR-CCB, HR-DB
Tipo S
· Giunto idrodinamico con disco freno
Ex):HR-S, HR-CS, HR-CCS, HR-DS
Tipo P
· Giunto idrodinamico con puleggia
Ex):HR-P, HR-CP, HR-CCP
Tipo MRR
·Il giunto idrodinamico può essere rimosso senza spostare entrambe le estremità
·Con giunto di collegamento flessibile
Tipo MRW
·Il giunto idrodinamico può essere rimosso senza spostare entrambe le estremità
·Senza giunto di collegamento flessibile
Tipo MB
·L'estremità del motore sostiene il peso del giunto idrodinamico
·Con giunto di collegamento flessibile


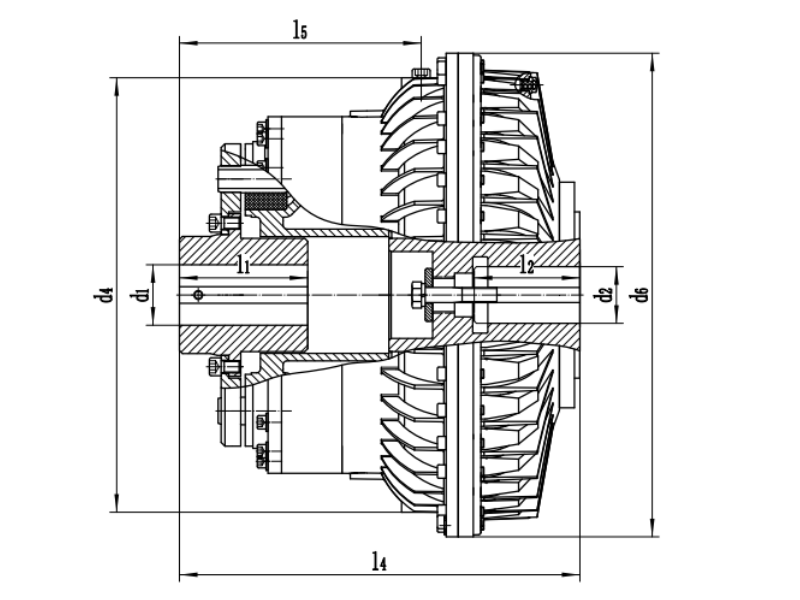
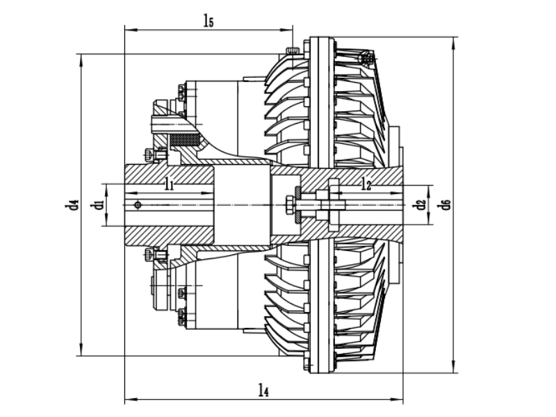
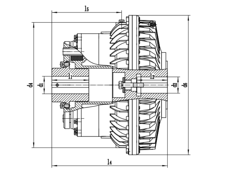
La struttura del giunto idraulico per HR-CC
Il tipo HR-CC è dotato di camera di ritardo maggiorata. A riposo, circa il 45% dell'olio si trova nella camera di riempimento del ritardo e, all'avviamento, l'olio presente nella camera di ritardo ritorna nella camera di lavoro. Durante il normale funzionamento, tutto l'olio è concentrato nella camera di lavoro. Grazie al volume maggiore della camera di ritardo maggiorata, l'effetto dell'avviamento ritardato è più evidente.